Winkelprofil 70x70, natur
SP9450N6000
Länge 6000mm SP9450N6000
Anwendung
Auf Länge gesägt und mit entsprechenden Bohrungen versehen als 90° Verbindung bei hohen Belastungen einsetzbar. (siehe unter Befestigungswinkel).
Lieferumfang
Die Lieferung erfolgt als 6 Meter Profil.
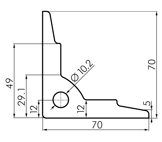
Länge | 6000mm |
Breite | 70mm |
Höhe | 70mm |
Gewicht | 22,3kg |
Fläche | 13,700cm2 |
Ix | 46,020cm4 |
Iy | 46,020cm4 |
Wx | 9,170cm3 |
Wy | 9,170cm3 |
eClass Id | 35070290 |
Zolltarifnummer | 76042990 |
N | |
mm | |
Erdbeschleunigung g = | 9,81 m/s2 |
Elastizitätsmodul E = | 70 kN/mm2 |
Ix = | 46,020 cm4 |
Iy = | 46,020 cm4 |
m/Meter = | 3,713 kg |
f = | x mm |
f1: | Durchbiegung unter Eigenlast |
f2: | Durchbiegung durch einwirkende Kraft [N] |
f3: | resultierende Durchbiegung |
Auf zwei Stützen, gleichmäßig verteilte Streckenlast

f1 | f2 | f3 | |
---|---|---|---|
um X-Achse | 0 | 0 | 0 |
um Y-Achse | 0 | 0 | 0 |
f = | 5 • F • l3 |
384 • E • I |
Einseitig eingespannt, Punktbelastung

f1 | f2 | f3 | |
---|---|---|---|
um X-Achse | 0 | 0 | 0 |
um Y-Achse | 0 | 0 | 0 |
f = | F • l3 |
3 • E • I |
Auf zwei Stützen, Punktbelastung

f1 | f2 | f3 | |
---|---|---|---|
um X-Achse | 0 | 0 | 0 |
um Y-Achse | 0 | 0 | 0 |
f = | F • l3 |
48 • E • I |
Beidseitig eingespannt, Punktbelastung

f1 | f2 | f3 | |
---|---|---|---|
um X-Achse | 0 | 0 | 0 |
um Y-Achse | 0 | 0 | 0 |
f = | F • l3 |
192 • E • I |