Treppenaufsatz 40, natur
SP0640N6000
Länge 6000mm SP0640N6000
Anwendung
Zur Herstellung von Plattformen (Podeste) in Verbindung mit einem Trägerprofil z.B. 40x80, 40x120 ...
Lieferumfang
Die Lieferung erfolgt als 6 Meter Profil.
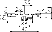
| Länge | 6000mm |
| Breite | 40mm |
| Höhe | 9.3mm |
| Gewicht | 2,0kg |
| Fläche | 1,250cm2 |
| Ix | 0,060cm4 |
| Iy | 1,340cm4 |
| Wx | 0,090cm3 |
| Wy | 0,670cm3 |
| eClass Id | 35070290 |
| Zolltarifnummer | 76042990 |
| N | |
| mm | |
| Erdbeschleunigung g = | 9,81 m/s2 |
| Elastizitätsmodul E = | 70 kN/mm2 |
| Ix = | 0,060 cm4 |
| Iy = | 1,340 cm4 |
| m/Meter = | 0,339 kg |
| f = | x mm |
| f1: | Durchbiegung unter Eigenlast |
| f2: | Durchbiegung durch einwirkende Kraft [N] |
| f3: | resultierende Durchbiegung |
Auf zwei Stützen, gleichmäßig verteilte Streckenlast
| f1 | f2 | f3 | |
|---|---|---|---|
| um X-Achse | 0 | 0 | 0 |
| um Y-Achse | 0 | 0 | 0 |
| f = | 5 • F • l3 |
| 384 • E • I |
Einseitig eingespannt, Punktbelastung
| f1 | f2 | f3 | |
|---|---|---|---|
| um X-Achse | 0 | 0 | 0 |
| um Y-Achse | 0 | 0 | 0 |
| f = | F • l3 |
| 3 • E • I |
Auf zwei Stützen, Punktbelastung
| f1 | f2 | f3 | |
|---|---|---|---|
| um X-Achse | 0 | 0 | 0 |
| um Y-Achse | 0 | 0 | 0 |
| f = | F • l3 |
| 48 • E • I |
Beidseitig eingespannt, Punktbelastung
| f1 | f2 | f3 | |
|---|---|---|---|
| um X-Achse | 0 | 0 | 0 |
| um Y-Achse | 0 | 0 | 0 |
| f = | F • l3 |
| 192 • E • I |