Deckenwinkel, natur
SX9500N6000
Länge 6000mm SX9500N6000
Anwendung
Profile Lasertechnolgie
Zur Konstruktion und zum Aufbau von doppelwandigen Laserschutzkabinen, bzw. Lasereinhausungen (Nd-YAG-Laser) in Segment-Bauweise.
Die Profile können auch für jegliche andere Arten von Abtrennungen verwendet werden und zeichnen sich durch einfache und schnelle Montage ohne weitere Bearbeitungen aus.
Material:
Aluminium, natur eloxiert
Lieferumfang
Die Lieferung erfolgt als 6 Meter Profil.
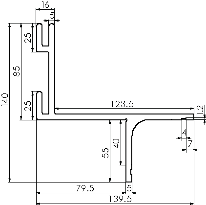
Länge | 6000mm |
Breite | 139.5mm |
Höhe | 140mm |
Gewicht | 26,9kg |
Fläche | 16,580cm2 |
Ix | 171,340cm4 |
Iy | 279,320cm4 |
Wx | 18,830cm3 |
Wy | 39,690cm3 |
N | |
mm | |
Erdbeschleunigung g = | 9,81 m/s2 |
Elastizitätsmodul E = | 70 kN/mm2 |
Ix = | 171,340 cm4 |
Iy = | 279,320 cm4 |
m/Meter = | 4,477 kg |
f = | x mm |
f1: | Durchbiegung unter Eigenlast |
f2: | Durchbiegung durch einwirkende Kraft [N] |
f3: | resultierende Durchbiegung |
Auf zwei Stützen, gleichmäßig verteilte Streckenlast

f1 | f2 | f3 | |
---|---|---|---|
um X-Achse | 0 | 0 | 0 |
um Y-Achse | 0 | 0 | 0 |
f = | 5 • F • l3 |
384 • E • I |
Einseitig eingespannt, Punktbelastung

f1 | f2 | f3 | |
---|---|---|---|
um X-Achse | 0 | 0 | 0 |
um Y-Achse | 0 | 0 | 0 |
f = | F • l3 |
3 • E • I |
Auf zwei Stützen, Punktbelastung

f1 | f2 | f3 | |
---|---|---|---|
um X-Achse | 0 | 0 | 0 |
um Y-Achse | 0 | 0 | 0 |
f = | F • l3 |
48 • E • I |
Beidseitig eingespannt, Punktbelastung

f1 | f2 | f3 | |
---|---|---|---|
um X-Achse | 0 | 0 | 0 |
um Y-Achse | 0 | 0 | 0 |
f = | F • l3 |
192 • E • I |