Doppelführungsprofil 80x80, natur
SP1410N6000
Länge 6000mm SP1410N6000
Anwendung
kein Text verfügbar.
Lieferumfang
Die Lieferung erfolgt als 6 Meter Profil.
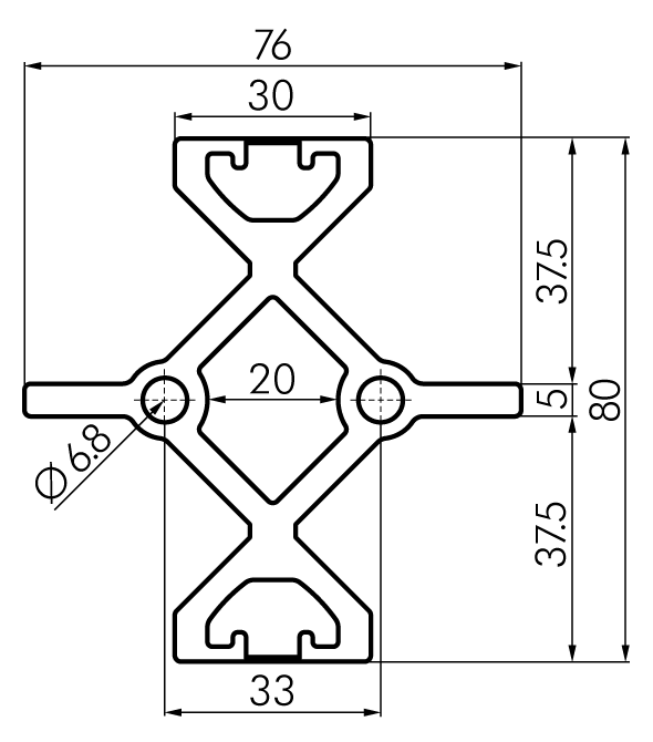
Länge | 6000mm |
Breite | 76mm |
Höhe | 80mm |
Gewicht | 19,6kg |
Fläche | 12,130cm2 |
Ix | 60,620cm4 |
Iy | 25,510cm4 |
Wx | 15,150cm3 |
Wy | 6,710cm3 |
eClass Id | 35070290 |
Zolltarifnummer | 76042990 |
N | |
mm | |
Erdbeschleunigung g = | 9,81 m/s2 |
Elastizitätsmodul E = | 70 kN/mm2 |
Ix = | 60,620 cm4 |
Iy = | 25,510 cm4 |
m/Meter = | 3,270 kg |
f = | x mm |
f1: | Durchbiegung unter Eigenlast |
f2: | Durchbiegung durch einwirkende Kraft [N] |
f3: | resultierende Durchbiegung |
Auf zwei Stützen, gleichmäßig verteilte Streckenlast

f1 | f2 | f3 | |
---|---|---|---|
um X-Achse | 0 | 0 | 0 |
um Y-Achse | 0 | 0 | 0 |
f = | 5 • F • l3 |
384 • E • I |
Einseitig eingespannt, Punktbelastung

f1 | f2 | f3 | |
---|---|---|---|
um X-Achse | 0 | 0 | 0 |
um Y-Achse | 0 | 0 | 0 |
f = | F • l3 |
3 • E • I |
Auf zwei Stützen, Punktbelastung

f1 | f2 | f3 | |
---|---|---|---|
um X-Achse | 0 | 0 | 0 |
um Y-Achse | 0 | 0 | 0 |
f = | F • l3 |
48 • E • I |
Beidseitig eingespannt, Punktbelastung

f1 | f2 | f3 | |
---|---|---|---|
um X-Achse | 0 | 0 | 0 |
um Y-Achse | 0 | 0 | 0 |
f = | F • l3 |
192 • E • I |