Klemmprofil 20 90° mini, natur
SP2050N6000
Länge 6000mm SP2050N6000
Anwendung
Durch einfache Aufnahme von Flächenelementen (Stärke max. 5mm) besonders geeignet für den Bau von Schutzverkleidungen, Schiebe und Schwenktüren. Hohe Festigkeit des Rahmenelements durch eingespannte Flächenelemente.
Lieferumfang
Die Lieferung erfolgt als 6 Meter Profil.
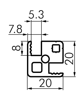
| Länge | 6000mm |
| Breite | 20mm |
| Höhe | 20mm |
| Gewicht | 3,9kg |
| Fläche | 2,410cm2 |
| Ix | 0,830cm4 |
| Iy | 0,830cm4 |
| Wx | 0,820cm3 |
| Wy | 0,820cm3 |
| eClass Id | 35070290 |
| Zolltarifnummer | 76042990 |
| N | |
| mm | |
| Erdbeschleunigung g = | 9,81 m/s2 |
| Elastizitätsmodul E = | 70 kN/mm2 |
| Ix = | 0,830 cm4 |
| Iy = | 0,830 cm4 |
| m/Meter = | 0,653 kg |
| f = | x mm |
| f1: | Durchbiegung unter Eigenlast |
| f2: | Durchbiegung durch einwirkende Kraft [N] |
| f3: | resultierende Durchbiegung |
Auf zwei Stützen, gleichmäßig verteilte Streckenlast
| f1 | f2 | f3 | |
|---|---|---|---|
| um X-Achse | 0 | 0 | 0 |
| um Y-Achse | 0 | 0 | 0 |
| f = | 5 • F • l3 |
| 384 • E • I |
Einseitig eingespannt, Punktbelastung
| f1 | f2 | f3 | |
|---|---|---|---|
| um X-Achse | 0 | 0 | 0 |
| um Y-Achse | 0 | 0 | 0 |
| f = | F • l3 |
| 3 • E • I |
Auf zwei Stützen, Punktbelastung
| f1 | f2 | f3 | |
|---|---|---|---|
| um X-Achse | 0 | 0 | 0 |
| um Y-Achse | 0 | 0 | 0 |
| f = | F • l3 |
| 48 • E • I |
Beidseitig eingespannt, Punktbelastung
| f1 | f2 | f3 | |
|---|---|---|---|
| um X-Achse | 0 | 0 | 0 |
| um Y-Achse | 0 | 0 | 0 |
| f = | F • l3 |
| 192 • E • I |