Klemmprofil 20 180° mini, natur
SP2020N6000
Länge 6000mm SP2020N6000
Anwendung
Durch einfache Aufnahme von Flächenelementen (Stärke max. 5mm) besonders geeignet für den Bau von Schutzverkleidungen, Schiebe und Schwenktüren. Hohe Festigkeit des Rahmenelements durch eingespannte Flächenelemente.
Lieferumfang
Die Lieferung erfolgt als 6 Meter Profil.
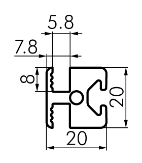
Länge | 6000mm |
Breite | 20mm |
Höhe | 20mm |
Gewicht | 3,9kg |
Fläche | 2,370cm2 |
Ix | 0,870cm4 |
Iy | 0,760cm4 |
Wx | 0,870cm3 |
Wy | 0,713cm3 |
eClass Id | 35070290 |
Zolltarifnummer | 76042990 |
N | |
mm | |
Erdbeschleunigung g = | 9,81 m/s2 |
Elastizitätsmodul E = | 70 kN/mm2 |
Ix = | 0,870 cm4 |
Iy = | 0,760 cm4 |
m/Meter = | 0,642 kg |
f = | x mm |
f1: | Durchbiegung unter Eigenlast |
f2: | Durchbiegung durch einwirkende Kraft [N] |
f3: | resultierende Durchbiegung |
Auf zwei Stützen, gleichmäßig verteilte Streckenlast

f1 | f2 | f3 | |
---|---|---|---|
um X-Achse | 0 | 0 | 0 |
um Y-Achse | 0 | 0 | 0 |
f = | 5 • F • l3 |
384 • E • I |
Einseitig eingespannt, Punktbelastung

f1 | f2 | f3 | |
---|---|---|---|
um X-Achse | 0 | 0 | 0 |
um Y-Achse | 0 | 0 | 0 |
f = | F • l3 |
3 • E • I |
Auf zwei Stützen, Punktbelastung

f1 | f2 | f3 | |
---|---|---|---|
um X-Achse | 0 | 0 | 0 |
um Y-Achse | 0 | 0 | 0 |
f = | F • l3 |
48 • E • I |
Beidseitig eingespannt, Punktbelastung

f1 | f2 | f3 | |
---|---|---|---|
um X-Achse | 0 | 0 | 0 |
um Y-Achse | 0 | 0 | 0 |
f = | F • l3 |
192 • E • I |