Scharnierprofil 30 midi, natur
SP0550N6000
Länge 6000mm SP0550N6000
Anwendung
Zur Herstellung von Scharnieren.
Lieferumfang
Die Lieferung erfolgt als 6 Meter Profil.
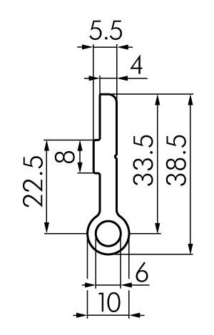
| Länge | 6000mm |
| Breite | 4mm |
| Höhe | 39mm |
| Gewicht | 2,9kg |
| Fläche | 1,760cm2 |
| Ix | 2,120cm4 |
| Iy | 0,070cm4 |
| Wx | 1,060cm3 |
| Wy | 0,130cm3 |
| eClass Id | 35070290 |
| Zolltarifnummer | 76042990 |
| N | |
| mm | |
| Erdbeschleunigung g = | 9,81 m/s2 |
| Elastizitätsmodul E = | 70 kN/mm2 |
| Ix = | 2,120 cm4 |
| Iy = | 0,070 cm4 |
| m/Meter = | 0,477 kg |
| f = | x mm |
| f1: | Durchbiegung unter Eigenlast |
| f2: | Durchbiegung durch einwirkende Kraft [N] |
| f3: | resultierende Durchbiegung |
Auf zwei Stützen, gleichmäßig verteilte Streckenlast
| f1 | f2 | f3 | |
|---|---|---|---|
| um X-Achse | 0 | 0 | 0 |
| um Y-Achse | 0 | 0 | 0 |
| f = | 5 • F • l3 |
| 384 • E • I |
Einseitig eingespannt, Punktbelastung
| f1 | f2 | f3 | |
|---|---|---|---|
| um X-Achse | 0 | 0 | 0 |
| um Y-Achse | 0 | 0 | 0 |
| f = | F • l3 |
| 3 • E • I |
Auf zwei Stützen, Punktbelastung
| f1 | f2 | f3 | |
|---|---|---|---|
| um X-Achse | 0 | 0 | 0 |
| um Y-Achse | 0 | 0 | 0 |
| f = | F • l3 |
| 48 • E • I |
Beidseitig eingespannt, Punktbelastung
| f1 | f2 | f3 | |
|---|---|---|---|
| um X-Achse | 0 | 0 | 0 |
| um Y-Achse | 0 | 0 | 0 |
| f = | F • l3 |
| 192 • E • I |