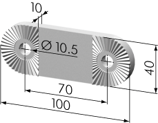
Verlängerung für Lasche 70mm, verzahnt
SM5633N
Anwendung
Material:
- N Aluminium, natur eloxiert
- S Aluminium, schwarz eloxiert
- N Aluminium, natur eloxiert
- S Aluminium, schwarz eloxiert