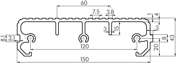
Tread Profile 43x150, natural
SP0620N6000
Length 6000mm SP0620N6000
Application
For manufacturing steps.
Scope of delivery
The delivery takes place as a 6 meter profile.
| Length | 6000mm |
| Width | 150mm |
| Height | 43mm |
| Weight | 20.2kg |
| Area | 12.400cm2 |
| Ix | 18.570cm4 |
| Iy | 356.070cm4 |
| Wx | 6.289cm3 |
| Wy | 46.149cm3 |
| eClass Id | 35070290 |
| Customs tariff number | 76042990 |
| N | |
| mm | |
| Gravity g = | 9.81 m/s2 |
| Modulus of elasticity E = | 70 kN/mm2 |
| Ix = | 18.570 cm4 |
| Iy = | 356.070 cm4 |
| m/Meter = | 3.360 kg |
| f = | x mm |
| f1: | Bending with self-weight |
| f2: | Bending through influencing force [N] |
| f3: | Resulting deflection |
On two stilts, distributed load
| f1 | f2 | f3 | |
|---|---|---|---|
| about the x-axis | 0 | 0 | 0 |
| about the y-axis | 0 | 0 | 0 |
| f = | 5 • F • l3 |
| 384 • E • I |
Fixed one-sided, pointloading
| f1 | f2 | f3 | |
|---|---|---|---|
| about the x-axis | 0 | 0 | 0 |
| about the y-axis | 0 | 0 | 0 |
| f = | F • l3 |
| 3 • E • I |
On two stilts, pointloading
| f1 | f2 | f3 | |
|---|---|---|---|
| about the x-axis | 0 | 0 | 0 |
| about the y-axis | 0 | 0 | 0 |
| f = | F • l3 |
| 48 • E • I |
Fixed two-sided, pointloading
| f1 | f2 | f3 | |
|---|---|---|---|
| about the x-axis | 0 | 0 | 0 |
| about the y-axis | 0 | 0 | 0 |
| f = | F • l3 |
| 192 • E • I |