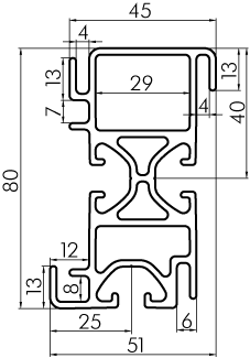
Profile 40 MV Focus, natural
SX2700N6000
Length 6000mm SX2700N6000
Application
Profiles Laser technology
For the design and construction of double-walled laser protection cabins, or laser enclosures (Nd-YAG lasers) in segmental construction.
The profiles can also be used for any other type of partitioning and are characterised by simple and quick assembly without further processing.
Material:
Aluminium, natural anodised
Scope of delivery
The delivery takes place as a 6 metre profile.
Length | 6000mm |
Width | 45mm |
Height | 80mm |
Weight | 15.0kg |
Area | 9.310cm2 |
Ix | 57.420cm4 |
Iy | 16.620cm4 |
Wx | 23.750cm3 |
Wy | 6.190cm3 |
N | |
mm | |
Gravity g = | 9.81 m/s2 |
Modulus of elasticity E = | 70 kN/mm2 |
Ix = | 57.420 cm4 |
Iy = | 16.620 cm4 |
m/Meter = | 2.502 kg |
f = | x mm |
f1: | Bending with self-weight |
f2: | Bending through influencing force [N] |
f3: | Resulting deflection |
On two stilts, distributed load

f1 | f2 | f3 | |
---|---|---|---|
about the x-axis | 0 | 0 | 0 |
about the y-axis | 0 | 0 | 0 |
f = | 5 • F • l3 |
384 • E • I |
Fixed one-sided, pointloading

f1 | f2 | f3 | |
---|---|---|---|
about the x-axis | 0 | 0 | 0 |
about the y-axis | 0 | 0 | 0 |
f = | F • l3 |
3 • E • I |
On two stilts, pointloading

f1 | f2 | f3 | |
---|---|---|---|
about the x-axis | 0 | 0 | 0 |
about the y-axis | 0 | 0 | 0 |
f = | F • l3 |
48 • E • I |
Fixed two-sided, pointloading

f1 | f2 | f3 | |
---|---|---|---|
about the x-axis | 0 | 0 | 0 |
about the y-axis | 0 | 0 | 0 |
f = | F • l3 |
192 • E • I |