Profile 20x80 mini, natural
SP2220N6000
Length 6000mm SP2220N6000
Application
Universal applications for weight optimised designs of all types. Suitable for multi-purposecompressed air lines.
Scope of delivery
The delivery takes place as a 6 meter profile.
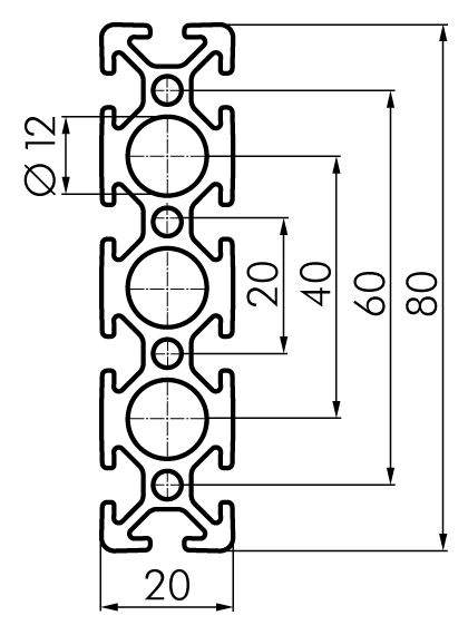
Length | 6000mm |
Width | 20mm |
Height | 80mm |
Weight | 11.4kg |
Area | 6.990cm2 |
Ix | 38.670cm4 |
Iy | 2.950cm4 |
Wx | 9.670cm3 |
Wy | 2.950cm3 |
eClass Id | 35070290 |
Customs tariff number | 76042990 |
N | |
mm | |
Gravity g = | 9.81 m/s2 |
Modulus of elasticity E = | 70 kN/mm2 |
Ix = | 38.670 cm4 |
Iy = | 2.950 cm4 |
m/Meter = | 1.894 kg |
f = | x mm |
f1: | Bending with self-weight |
f2: | Bending through influencing force [N] |
f3: | Resulting deflection |
On two stilts, distributed load

f1 | f2 | f3 | |
---|---|---|---|
about the x-axis | 0 | 0 | 0 |
about the y-axis | 0 | 0 | 0 |
f = | 5 • F • l3 |
384 • E • I |
Fixed one-sided, pointloading

f1 | f2 | f3 | |
---|---|---|---|
about the x-axis | 0 | 0 | 0 |
about the y-axis | 0 | 0 | 0 |
f = | F • l3 |
3 • E • I |
On two stilts, pointloading

f1 | f2 | f3 | |
---|---|---|---|
about the x-axis | 0 | 0 | 0 |
about the y-axis | 0 | 0 | 0 |
f = | F • l3 |
48 • E • I |
Fixed two-sided, pointloading

f1 | f2 | f3 | |
---|---|---|---|
about the x-axis | 0 | 0 | 0 |
about the y-axis | 0 | 0 | 0 |
f = | F • l3 |
192 • E • I |