Clamp Profile 40 90°, natural
SP7520N6000
Length 6000mm SP7520N6000
Application
Holds sheet elements to a max thickness of 9mm. Used in the construction of protective cladding, sliding or swing doors etc. When clamped the sheet elements become tensioned to give the frame considerable strength.
Scope of delivery
The delivery takes place as a 6 meter profile.
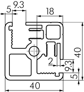
Length | 6000mm |
Width | 40mm |
Height | 40mm |
Weight | 11.0kg |
Area | 6.740cm2 |
Ix | 10.110cm4 |
Iy | 10.110cm4 |
Wx | 4.890cm3 |
Wy | 4.890cm3 |
eClass Id | 35070290 |
Customs tariff number | 76042990 |
N | |
mm | |
Gravity g = | 9.81 m/s2 |
Modulus of elasticity E = | 70 kN/mm2 |
Ix = | 10.110 cm4 |
Iy = | 10.110 cm4 |
m/Meter = | 1.827 kg |
f = | x mm |
f1: | Bending with self-weight |
f2: | Bending through influencing force [N] |
f3: | Resulting deflection |
On two stilts, distributed load

f1 | f2 | f3 | |
---|---|---|---|
about the x-axis | 0 | 0 | 0 |
about the y-axis | 0 | 0 | 0 |
f = | 5 • F • l3 |
384 • E • I |
Fixed one-sided, pointloading

f1 | f2 | f3 | |
---|---|---|---|
about the x-axis | 0 | 0 | 0 |
about the y-axis | 0 | 0 | 0 |
f = | F • l3 |
3 • E • I |
On two stilts, pointloading

f1 | f2 | f3 | |
---|---|---|---|
about the x-axis | 0 | 0 | 0 |
about the y-axis | 0 | 0 | 0 |
f = | F • l3 |
48 • E • I |
Fixed two-sided, pointloading

f1 | f2 | f3 | |
---|---|---|---|
about the x-axis | 0 | 0 | 0 |
about the y-axis | 0 | 0 | 0 |
f = | F • l3 |
192 • E • I |