Clamp Strip 40 180°, natural
SP6010N6000
Length 6000mm SP6010N6000
Application
Holds sheet elements to a max thickness of 9mm. Used in the construction of protective cladding, sliding or swing doors etc. When clamped the sheet elements become tensioned to give the frame considerable strength.
Scope of delivery
The delivery takes place as a 6 meter profile.
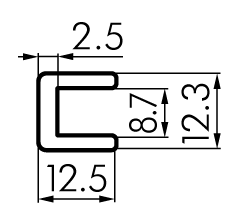
Length | 6000mm |
Width | 12mm |
Height | 12mm |
Weight | 1.1kg |
Area | 0.660cm2 |
Ix | 0.140cm4 |
Iy | 0.940cm4 |
Wx | 0.220cm3 |
Wy | 1.190cm3 |
eClass Id | 35070290 |
Customs tariff number | 76042990 |
N | |
mm | |
Gravity g = | 9.81 m/s2 |
Modulus of elasticity E = | 70 kN/mm2 |
Ix = | 0.140 cm4 |
Iy = | 0.940 cm4 |
m/Meter = | 0.179 kg |
f = | x mm |
f1: | Bending with self-weight |
f2: | Bending through influencing force [N] |
f3: | Resulting deflection |
On two stilts, distributed load

f1 | f2 | f3 | |
---|---|---|---|
about the x-axis | 0 | 0 | 0 |
about the y-axis | 0 | 0 | 0 |
f = | 5 • F • l3 |
384 • E • I |
Fixed one-sided, pointloading

f1 | f2 | f3 | |
---|---|---|---|
about the x-axis | 0 | 0 | 0 |
about the y-axis | 0 | 0 | 0 |
f = | F • l3 |
3 • E • I |
On two stilts, pointloading

f1 | f2 | f3 | |
---|---|---|---|
about the x-axis | 0 | 0 | 0 |
about the y-axis | 0 | 0 | 0 |
f = | F • l3 |
48 • E • I |
Fixed two-sided, pointloading

f1 | f2 | f3 | |
---|---|---|---|
about the x-axis | 0 | 0 | 0 |
about the y-axis | 0 | 0 | 0 |
f = | F • l3 |
192 • E • I |